
HMD热金属检测器主要用于冶金工业系统中,通过对高温工件的检测,判断工件的运动位置,输出一控制用开关信号。
它具有以下特点:
(1) 可在较恶劣的环境下工作(如高温、潮湿、水雾,粉尘等恶劣环境中)。
(2) 可长时间连续可靠工作。
(3) 本检测器为电源、控制器、输出一体化,安装方便。
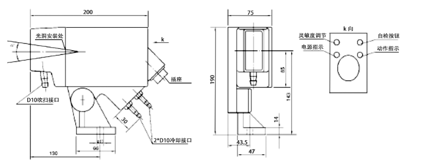
灵 敏 度:顺时针旋转,由低到高;
保 护:直流输入极性保护,电平输出短路及过载保护;
操作角度:方位角任意调节,俯仰角±45°;
激光瞄准:根据用户要求


| 功能 | 电源电压 | 输出方式 | 连接件 | |||||||||||
| 参数 | 交流 | 直流 | 延时 | 触点 | 电平推挽输出 | 隔离 | 输入输出 共一个 | 输入输出 各一个 | ||||||
| 110V | 220V | 12V | 24V | 0~5 秒 | 常开 | 常闭 | 12V | 24V | 适合大隔离 电压27V | |||||
| 高 | 低 | 高 | 低 | |||||||||||
| 代号 | 1 | 2 | 3 | 4 | S | Z | A | B | C | D | G | 1 | 2 | |
| 外壳形式 | 带冷却、冷却 | |||
| 工作电源 | DC12V、DC24V、A110CV、A220CV;±10%额定电压值 | |||
| 工作温度 | -25℃~+70℃;有风冷、水冷时 -25℃~+120℃ | |||
| 检测温度 | 550℃~1400℃(普通型);300℃~1400℃(低温型) | |||
| 检测距离 | 0.2m~8m | |||
| 指 示 灯 | 接通电源指示:绿LED亮;有信号工作指示:红LED亮 | |||
| 输出 形式 | 接 点(Z) | 接点容量:AC250V/5A;DC30V/5A | ||
| 电 平 | 12V | 高电平(A) | 有信号,对地高电平12V;负载电流100mA(推挽输出) | |
| 低电平(B) | 有信号,对地低电平 0V;负载电流100mA(推挽输出) | |||
| 24V | 高电平(C) | 有信号,对地高电平24V;负载电流100mA(推挽输出) | ||
| 低电平(D) | 有信号,对地低电平 0V;负载电流100mA(推挽输出) | |||
| 光隔离(G) | 适合大输入工作电压≤DC27V,负载电流100mA | |||
| 延 时(S) | 0~5秒 | |||
| 自 检 | 由外部开关控制 | |||
| 视场角度 | 安装距离1m时,视场范围为φ170mm | |||
| 连 接 件 | 一个 | |||
| 功 耗 | ≤5W | |||
| 绝缘电阻 | ≥20MΩ(当DC500V时) | |||
| 响应时间 | 接点<20ms;电平与隔离<2ms | |||
| 灵 敏 度 | 瞬时针旋转,由低到高 | |||
| 保 护 | 直流输入极性保护,电平输出短路及过载保护 | |||
| 操作角度 | 方位角任意调节,俯仰角±45°; | |||
| 激光瞄准 | 根据用户要求,可加装红色激光瞄准装置,便于安装调整 | |||



■ 视场角度:
本检测器在现场安装时,可根据视场范围,还料品种来设置距离,用目测法对准。
HMD热金属检测器均有一定的视场范围,对于任何一种HMD均应有保证被测物体移动范围在HMD的视场内。
HMD检测视场范围和设置距离参照表如下图,视场范围如有特殊要求,可定制。

■ 光 栏:
为了使HMD能适合各种条件工作,配有四种光栏板(Φ2、Φ4、Φ8、Φ16),可用来改变视场范围的大小。
■ 冷却接口:
冷却接口是用来通冷却水的,在检测器安装位置周围温度达到70℃以上时,要进行水冷,水压为0.3MPa。
■ 吹扫接口:
检测器视场内水汽、烟尘时,检测器灵敏度降低,设置时应尽量注意。为了防止这种现象,防尘筒的吹扫口应加上0.3MPa压缩空气。
■ 配 线:
a、从检测器到电气室的电缆应尽量使用屏蔽电缆。
b、检测器到控制室连接的电缆,要在200m以内,不可过长。
c、电缆经过较高温度区时须采取安全防护措施。
■ 电平输出:
电平输出采用NPN / PNP晶体管推挽输出,如图10所示,但同一时刻只能接一种负载。
电平输出的负载允许有两种形式:阻性负荷和感性负荷。能提供的适合大负载电流为100mA。

■ 接点输出:
冷却接口是用来通冷却水的,在检测器安装位置周围温度达到70℃以上时,要进行水冷,水压为0.3MPa。
接点输出的输出级为继电器的接点,使用时间注意,不要让负荷的适合大工作电流超过接点容量所允许的电流量,负荷的功率也不得超过接点容量。
接点工作有两种方式:直流方式和交流方式。在两种方式下对负荷的性质未能加限制,可接入阻性负荷或感性负荷,但是这两种方式下使用上略有不同,如图11所示,是直流方式的接线法,图12是交流方式的接线法。
在直流方式使时,对于感性负载,应如图10虚线所示加接续流二检管,续流二级管选用0.5 A,三倍以上负载电压。
在交流方式工作时,对感性负载,应如图12中所示,加接R、C吸收电路。



微信扫一扫加关注
电话:025-66075066 传真:025-87168200
手机:13655163735
地址:江苏省南京市江宁区科宁路777号申智滙谷9栋101
Copyright © 2012-2020 南京凯基特电气有限公司 版权所有
备案号:苏ICP备12080292号