
凯基特霍尔式必威app登录官网下载安装苹果手机适用于检测磁性材料的运动,位置检测,转速检测等。采用电子式霍尔器件,弹簧片式舌簧管等是磁敏器件。利用霍尔器件设计的霍尔式必威app登录官网下载安装苹果手机可检测外部磁铁。利用霍尔器件设计的齿轮必威app登录官网下载安装苹果手机适合对旋转速度的探测,检测齿轮的停止和控制等。

| 机械技术数据 | |
| 外壳结构 | 圆柱螺纹结构 |
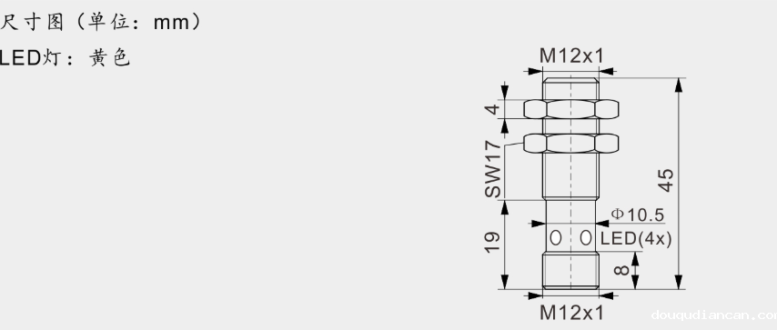
| 螺纹规格 | M12×1 |
| 直径 | φ12mm |
| 尺寸 | M12x1mm/L=45mm |
| 可用螺纹长度 | 26mm |
| 外壳材料 | 黄铜镀镍 |
| 检测面材料 | PBT |
| 电气特征 | |
| 安装方式 | 齐平安装 |
| 工作电压 | 10-30V DC |
| 电流消耗 | ≤10mA |
| 极性反接保护 | 内置 |
| 上电脉冲保护 | 内置 |
| 负载短路保护 | 内置 |
| 连接形式 | 4针M12 连接器 |
| 输出 | |
| 输出方式 | NPN/PNP |
| 输出状态 | 常闭/常闭/常开和常闭 |
| 导通压降 | ≤2V |
| 电流负载 | ≤200mA |
| 输出漏电流 | ≤0.01mA |
| 开关频率 | 1000Hz |
| 可选型号 | |
| NPN 常开 | KJT10-M12B45-NO3X-T4S |
| NPN 常闭 | KJT10-M12B45-NC3X-T4S |
| NPN 常开和常闭 | KJT10-M12B45-NE3X-T4S |
| PNP 常开 | KJT10-M12B45-PO3X-T4S |
| PNP 常闭 | KJT10-M12B45-PC3X-T4S |
| PNP常开和常闭 | KJT10-M12B45-PE3X-T4S |
| 感应范围 | |
| 标准检测物 | φ5×3mm(磁铁:S极 钕铁硼) |
| 感应距离Sn | 10mm(磁铁S极) |
| 实际感应距离Sr | 10mm±10% |
| 检测距离增长型 | 否 |
| 显示 | |
| 开关状态显示LED | 黄色LED |
| 精度/偏差 | |
| 修正系数 | 其检测距离是由磁铁的磁性强度决定的 |
| 迟滞(Sr的百分比) | 1...15% |
| 重复精度(Sr的百分比) | ≤±5% |
| 温度漂移(Sr的百分比) | ≤10% |
| 工作条件 | |
| 环境温度 | -25~+80℃ |
| 外壳防护等级 | IP67 |
| 认证/绝缘阻抗 | |
| EMC电磁兼容性 | 符合标准EN60947-5-2 |
| 绝缘阻抗 | 50MΩ以上(DC 500V兆欧表),充电部整数和外壳之间 |
| 认证 | CE |
| 配件/重量 | |
| 固定螺母 | 2个 |
| 包装单位 | 1个 |
| 重量 | 28g |





微信扫一扫加关注
电话:025-66075066 传真:025-87168200
手机:13655163735
地址:江苏省南京市江宁区科宁路777号申智滙谷9栋101
Copyright © 2012-2020 南京凯基特电气有限公司 版权所有
备案号:苏ICP备12080292号