
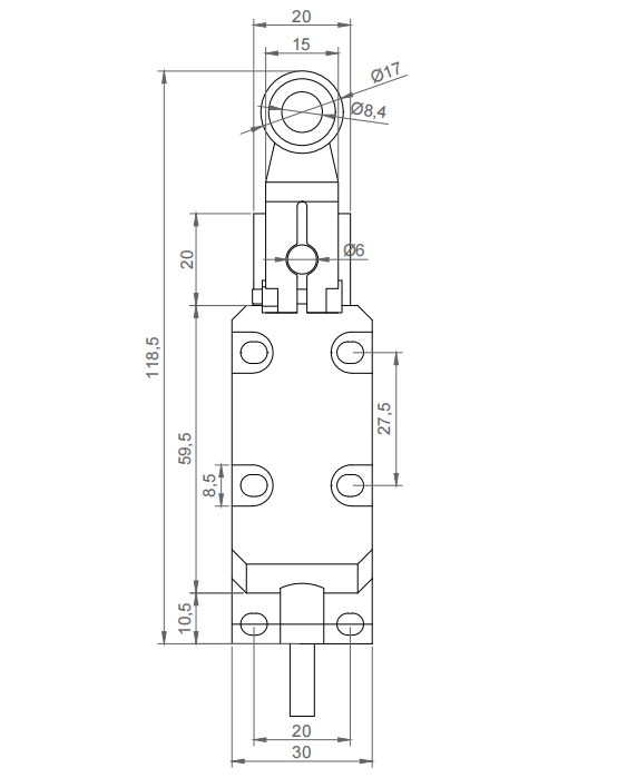
凯基特防水行程限位开关满足IEC IP67/IP68防护等级的高密封性;三层密封构造;柱塞部通过丁腈橡胶填料密封和隔膜密封,开关部通过丁腈橡胶帽密封;电缆入口通过包封材料密封。
■ 机构坚固,外观结构件均使用金属部件;
■ 防水可靠,内开关灌胶密封处理,防护等级 IP67;
■ 接线方便,标准款拖线 2 米,无需拆盖接线;
■ 方便使用,引动器种类多;
■ 适用于露天设备、盾构设备、涂装设备等在野外或在防水防油要求等级比较高的场合 。

基本特性
| 操作速度 | 0.5-50cm/s |
| 动作频率 | 机械:120次/分 |
| 接触电阻 | 30MΩ |
| 绝缘电阻 | 100MΩ以上 |
| 耐电压 | 非连续端子间500VAC,50/60Hz,持续1分 钟载流部件和无载流附件端子与接地之间1500VAC,50/60Hz,持续1分钟 |
| 环境湿度 | -25℃-+80℃ |
| 环境温度 | 可浸水使用 |
| 使用寿命 | 机械:500万次以上(额定 OT 值下) 电气:50 万次以上 |
| 防护等级 | IP67 |
额定值
| 额定电压 | 非感性负载 | 电感性负载 | ||||||
| 电阻性负载 | 灯泡负载 | 感性负载 | 马达负载 | |||||
| NO | NO | NC | NO | NC | NO | NC | NO | |
| 125VAC | 5 | 5 | 1.5 | 0.7 | 3 | 3 | 2 | 1 |
| 250VAC | 5 | 5 | 1 | 0.5 | 3 | 3 | 1.5 | 0.8 |
| 8VDC | 5 | 5 | 3 | 3 | 5 | 4 | 3 | 3 |
| 14VDC | 5 | 5 | 3 | 3 | 4 | 4 | 3 | 3 |
| 30VDC | 4 | 4 | 3 | 3 | 4 | 4 | 3 | 3 |
| 125VDC | 0.4 | 0.4 | ||||||
| 250VDC | 0.2 | 0.2 | ||||||
动作特性
| 参数 | KJ-ET8107 | KJ-ET8108 |
OF 最大 | 350g | 350g |
RF 最小 | 100g | 10g |
PT 最大 | 25° | 25° |
OT 最大 | 50° | 50° |
| MD 最大 | 12° | 12° |







微信扫一扫加关注
电话:025-66075066 传真:025-87168200
手机:13655163735
地址:江苏省南京市江宁区科宁路777号申智滙谷9栋101
Copyright © 2012-2020 南京凯基特电气有限公司 版权所有
备案号:苏ICP备12080292号