
产品特点
内藏KM卧式限位开关
具有高机械强度的一体铸造铝合金外壳
具耐油、防水和防压结构
引动器种类多,方便使用

| 产品型号 | KM-6103 |
| 操作速度 | 5mm 至 0.5m/s |
| 动作频率 | 电气:20次/分 |
| 接触电阻 | 25mΩ 以下 ( 初期 ) |
| 绝缘电阻 | 100MΩ 以上 ( 在 500VDC 以下 ) |
| 最小使用负载 | DC24V 10mA 以上 |
| 额定绝缘电压 | 380V |
| 额定冲击耐受电压 | 2.5kV |
| 约定自由空气发热电流 | 15A |
| 电介强度 | 非连续端子间1000VAC, 50/60Hz持续1分钟 钟载电流与无载电流零件间1890VAC, 50/60Hz持续1分钟 端子和接地之间1890VAC, 50/60Hz持续1分钟 |
| 振动 | 10至55Hz, 1.5mm双振幅 |
| 迟滞 | 机械耐久 :1,000m/Sec2( 约 100G’S) 误动作耐久 :300m/Sec2( 约 30G’S) |
| 周围温度 | 使用时 :-20~+80℃ ( 没有结冰 ) |
| 湿度 | 95%RH 以下 |
| 电气寿命 | 500,000次以上 |
| 防护等级 | IP65 |
| 头部结构 | 横向滚轮按钮式头 |
| 动作特性 | |
| 操作力OF(最大Max) | 500g |
| 回弹力RF(最小Min) | 100g |
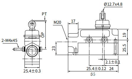
| 预行程 PT (最大Max.) | 1mm |
| 行程移动分辨率 MD (最大Max.) | 0.12mm |
| 过行程 OT (最小Min.) | 3.5mm |
| 动作位置 OP(mm.) | 49.7±0.8mm |



请在断电状态下进行开关接线操作,通电状态下接线可能会造成触电危险。
接线时务必注意,不要让导线的细小碎片或其他微粒进入开关内部。
使用绝缘管和 M3.5 压接端子连接时,按照图示正确放置压接端子,避免压迫到外壳或外盖。适用的导线尺寸为 AWG20 至 AWG18 或 0.5 至 0.75mm²。
选用适当长度的导线以确保外盖平整关闭且牢固。切勿将压接端子塞进外壳缝隙,这可能导致外壳损坏或变形。
为防止端子与开关外壳内部接触,使用厚度不超过 0.5mm 的端子。




微信扫一扫加关注
电话:025-66075066 传真:025-87168200
手机:13655163735
地址:江苏省南京市江宁区科宁路777号申智滙谷9栋101
Copyright © 2012-2020 南京凯基特电气有限公司 版权所有
备案号:苏ICP备12080292号