
KJTLG10-WS激光雷达是我司针对无人机、扫地机器人、工业机器人等领域推出的全新激光测距解决方案。该产品基于 DTOF 测距原理,具有体积小、成本低、性能优、抗环境光干扰能力强,可以作为相关领域的升级替代产品。该产品基于 UART TTL 通讯接口传送距离信息,使用简单,安装灵活,扩展方便。本型号采用全新光电方案,极具性价比。

| 特点 | 应用 | |
测量距离 | 20 米 | 基于飞行时间算法(Direct Time Of Flight) |
测量盲区 | 3 厘米 | 无人机定高、避障 |
测量速度 | 500Hz | 机器人避障 |
测量精度 | 1% | 工业级光幕 |
分辨率 | 1mm | AGV 避障 |
工作温度 | -30~+65℃ | 交通、工业自动化领域高速测量和安全监测 |
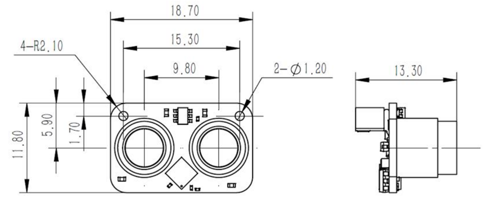
小体积 | 18.7* 11.8* 13.3 mm | |
重量 | 约 2 克 | |
▼基本功能参数: KJTLG10-WS 包含丰富的功能和参数。
| 连续测量 | √ |
| 上电启动测量 | √ |
| I2C 通信 | 可选 |
| UART TTL 通讯 | √ |
▼基本参数
| 型号 | KJTLG10-WS | |
| 产品性能 | ||
| 激光光源 | 激光管 905nm | |
| 激光等级 | Class 3R | |
| 工作距离 | 0.03-20m | |
| 测距频率 | 500Hz | |
| 5%反射率 | 20m | |
| 分辨率 | 1mm | |
| 重复精度 | ±10mm | |
| 工作电压 | 3.3~5V DC | |
| 接口 | UART、IIC(可选) | |
| 功耗 | <0.5W | |
| 重量 | 约2g | |
| 尺寸(长宽高) | 18.7 x 11.8 x 13.3mm | |
| 工作环境温度 | -30℃~+65℃ | |
| 抗环境光能力 | 12米@100K Lux | |
| 电气连接 | ||
| 线序 | 功能 | 连接端子示意图 |
| 1 | TX | ![]() |
| 2 | RX | |
| 3 | 3.3-5V | |
| 4 | GND | |
▼通讯协议:UART串口数据输出频率默认为500Hz,UART串口波特率默认460800。串口设置:数据位8,停止位1,无奇偶校验。
以下数据帧指令皆为16进制数据格式
1、UART串口输出一帧数据4字节,格式如下:
| 帧头 | 距离值两字节 | 校验位 | |
| 5C | 02 | 11 | EC |
5C:固定帧头1字节
02 11:距离值两字节表示测量距离为4354mm,小端模式,范围0-65535,测不到时输出65535
EC:校验位一字节,从第二个字节02开始到倒数第二个字节11结束,求和取反
2、校验函数:以下设置和读取指令帧皆是用此校验函数
从第二个字节开始到倒数第二个字节结束,求和取反
uint8_t Check_Sum(uint8_t *_pbuff, uint16_t _cmdLen)
{
uint8_t cmd_sum=0;
uint16_t i;
for(i=0;i<_cmdLen;i++)
{
cmd_sum += _pbuff[i];
}
cmd_sum = (~cmd_sum);
return cmd_sum;
}
3、设置和读取指令
①产品序列号读取
| 发送 | 5A | 0D | 02 | 0D | 0D | 校验位 |
| 返回 | 5A | 8D | 02 | 10 | 01 | 校验位 |
10 01表示产品序列号为272:小端模式,上位机上显示产品序列号为:S00272(在5位数字前面加S显示)
②UART串口波特率设置
| 发送 | 5A | 06 | 02 | 80 | 04 | 校验位 |
| 返回 | 5A | 86 | 02 | 80 | 04 | 校验位 |
80 04即十进制1152:小端模式,表示设置的波特率为115200=1152*100



微信扫一扫加关注
电话:025-66075066 传真:025-87168200
手机:13655163735
地址:江苏省南京市江宁区科宁路777号申智滙谷9栋101
Copyright © 2012-2020 南京凯基特电气有限公司 版权所有
备案号:苏ICP备12080292号
