
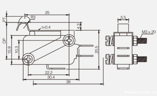
“凯基特”牌KV-15系列微动开关采用热塑性塑料外壳;具有微小触点间隙,动作快速、高灵敏和微小行程;配备各种形式的驱动手柄;广泛应用于各种家用电器、电子设备、自动化设备、通讯设备、汽车电子仪器仪表等领域。

特性 Characteristics | |
操作速度 | 0.1mm-1m/s |
动作频率 | 机械:600次/分 电气:30次/分 , Mechanically:600 times/minute Electically:30 times/Minute |
接点电阻 | 25mΩ(初值 initial value) |
绝缘电阻 | 100MΩ以上(Above)DC500V |
介质耐压 | 非连线Non-connection wire:1000VAC;各端子间 Every terminal:1500VAC |
振动 | 误动作Misoperation 10-55Hz 复振幅 Amplitude 1.5mm |
冲击 | 耐久:1,000m/s2 |
使用温度 | -25 至 +80℃ |
使用湿度 | <85% |
使用寿命 | 电气:100,000次以上,机械:1.000,000次以上 Mechanically:1.000,000times above |
耐久 | 1,000m/s2 |
防护等级 | IP40 |








微信扫一扫加关注
电话:025-66075066 传真:025-87168200
手机:13655163735
地址:江苏省南京市江宁区科宁路777号申智滙谷9栋101
Copyright © 2012-2020 南京凯基特电气有限公司 版权所有
备案号:苏ICP备12080292号