枢轴短手柄型微动开关KV-151-1C25

  “凯基特”牌KV-15系列微动开关采用热塑性塑料外壳;具有微小触点间隙,动作快速、高灵敏和微小行程;配备各种形式的驱动手柄;广泛应用于各种家用电器、电子设备、自动化设备、通讯设备、汽车电子仪器仪表等领域。


主要技术参数


特性 Characteristics

操作速度
Operation speed

 0.1mm-1m/s

动作频率
Action frequency

机械:600次/分 电气:30次/分 , Mechanically:600 times/minute Electically:30 times/Minute


接点电阻
Contact resistance

25mΩ(初值 initial value)

绝缘电阻
Insulation resistance

100M只以上(Above)DC500V

介质耐压
Withstand voltage

非连线Non-connection wire:1000VAC;各端子间 Every terminal:1500VAC

振动
Vibration

误动作Misoperation 10-55Hz 复振幅 Amplitude 1.5mm

冲击
Hitting

耐久:1,000m/s2
误动作耐久:300m/s
2
Machine:1,000m/s
2
Action:300m/s

使用温度
Operating temperature

-25 至 +80℃

使用湿度
Operating humidity

<85%

使用寿命
Serve life

电气:100,000次以上,机械:1.000,000次以上
Electrically:100,000times above

Mechanically:1.000,000times above

耐久
Durable

1,000m/s2

防护等级
Protection structure

IP40

KV-151-1C25微动开关|限位开关产品型号-参数-接线图

  

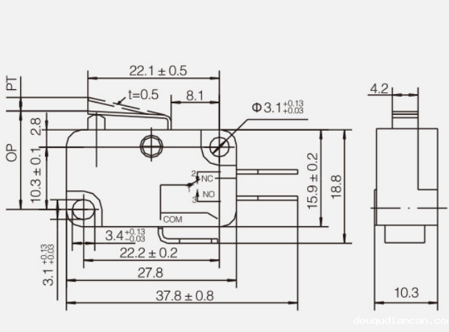
尺寸图

KV-151-1C25微动开关|限位开关产品型号-参数-接线图

                  
                    

接线图

KV-151-1C25微动开关|限位开关产品型号-参数-接线图

场景图

KV-151-1C25微动开关|限位开关产品型号-参数-接线图

Baidu
map