
凯基特重型限位开关是一种机械控制开关,有输送带防跑偏用、吊车过卷保护用、拉绳开关用等形式。发挥其高可靠性,被广泛应用在钢铁设备、大型输送机械、装卸机械和水泥设备上。耐恶劣环境。玻封接点中充填了惰性气体

产品参数 | |
型号 | TK 441-11Y-T-M20 |
作用原理 | 机械的 |
外壳原材料 | 灰口铸铁,镀锌 |
触点材料 | 银 |
总重量 | 1,340g |
常闭数量(NC) | 1 |
常开数量(NO) | 1 |
B 10D常闭触点 (NC) | 2,000,000 次操作 |
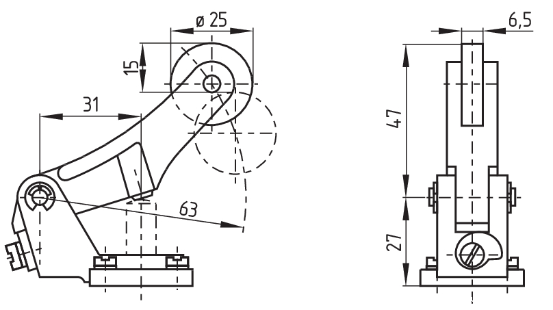
执行元件 | 偏置滚轮杠杆 |
滚筒材质 | 黄铜 |
机械寿命 | 10,000,000 次操作 |
动作角度, | 45° |
动作角度, | 30° |
接触开路 | 2×6mm |
最小驱动速度 | 1mm/分钟 |
最大动作速度 | 0.5m/秒 |
注意 | 动作速度:垂直驱动角度切换轴的驱动速度 |
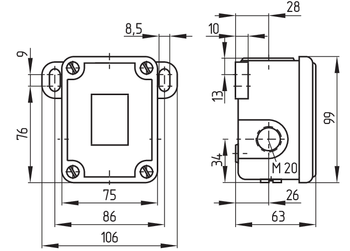
电路连接 | 螺丝连接 M20 x 1.5 |
最小电缆截面 | 1.5mm² |
最大电缆截面 | 2.5mm² |
注意 | 电缆部分:包括导体套圈 |
线材截面 | 13 AWG |
产品尺寸 | |
长宽高 | 63mm*106mm*173mm |
脚轮宽度 | 6.5mm |
脚轮直径 | 25mm |
应用环境条件 | |
防护等级 | IP65 |
环境温度 | ‘-40 ... +200°C |
额定绝缘电压 | 400 VAC |
额定冲击耐受电压 | 6kV |
电气数据 | |
热测试电流 | 16A |
应用类别 | AC-15: 400 V / 4 A |
开关元件 | 常开触点、常闭触点 |
开关原理 | 动作缓慢 |
注意事项 | |
应避免从右侧启动,因为这会缩短位置开关的机械寿命 | |




注意 开关行程图 触点闭合 触点打开 设置范围 断点 肯定打开顺序/角度VS NO 触点调节范围 VÖ NC触点可调节范围 N 行程后 |



微信扫一扫加关注
电话:025-66075066 传真:025-87168200
手机:13655163735
地址:江苏省南京市江宁区科宁路777号申智滙谷9栋101
Copyright © 2012-2020 南京凯基特电气有限公司 版权所有
备案号:苏ICP备12080292号

触点闭合
触点打开
设置范围
断点
肯定打开顺序/角度